блог
Дом блог

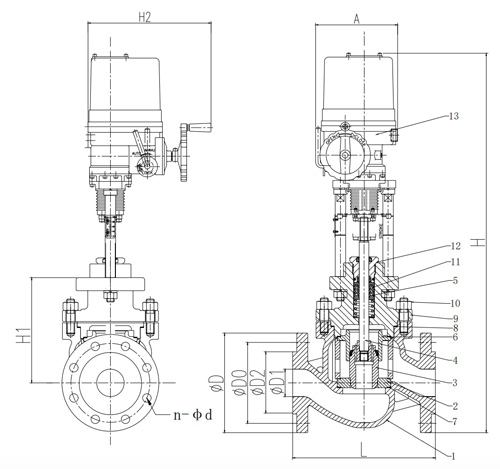
Электрический регулирующий клапан с односедельным клапаном балансировки давления и двумя заслонками с каждой стороны

архивы
ТЕГИ

Электрический регулирующий клапан с односедельным клапаном балансировки давления и двумя заслонками с каждой стороны

November 30, -0001

Введение:

 

В динамичном мире промышленных процессов точность управления имеет первостепенное значение. Представляем революционную разработку GEKO. Электрический односедельный регулирующий клапан с балансировкой давления и двойной заслонкой с каждой стороны — передовое решение, призванное поднять ваши возможности управления на беспрецедентный уровень.

 

Electric-Pressure-Balance-Single-Seat-Control-Valve-with-a-Double-Flap-On-Each-Side.jpg

 

Основные характеристики:

 

Точность переопределена:

GEKO Электрический клапан балансировки давления Разработан для обеспечения непревзойденной точности регулирования расхода и давления. Двойная конструкция заслонки с каждой стороны обеспечивает чувствительную и точную модуляцию, обеспечивая оптимальное управление процессом в различных областях применения.

 

Технология баланса давления:

Технология балансировки давления, встроенная в этот регулирующий клапан Обеспечивает стабильность и надежность работы. Оцените стабильную производительность даже в сложных и нестабильных условиях технологического процесса благодаря приверженности GEKO передовым технологиям.

 

Преимущество двойного клапана:

Двойная конструкция заслонок с каждой стороны клапана — это революционное решение. Она повышает точность управления, минимизирует гистерезис и оптимизирует время отклика. Эта инновационная особенность выделяет GEKO как лидера в области технологий регулирующих клапанов.

 

Раскрытая универсальность:

Независимо от того, работаете ли вы в химической, нефтехимической, энергетической или других перерабатывающих отраслях, электрический балансировочный клапан давления GEKO разработан для широкого спектра применений. Благодаря своей универсальности он является идеальным решением для инженеров и операторов, которым нужен надёжный и адаптивный регулирующий клапан.

 

Полная интеграция:

Интеграция с существующими системами управления происходит без проблем, что позволяет без проблем модернизировать вашу текущую установку. Оцените преимущества современных технологий управления без необходимости внесения существенных изменений.

 

Прочная конструкция:

Компания GEKO понимает требования промышленных условий. Регулирующий клапан разработан с учётом долговечности и отличается прочной конструкцией, обеспечивающей длительный срок службы и минимальное обслуживание, что способствует общей экономической эффективности.

 

Заключение:


Односедельный регулирующий клапан GEKO с электроприводом балансировки давления и двумя заслонками с каждой стороны — это революционное решение для отраслей, где важны точность, эффективность и надежность. Расширьте свои возможности управления и оставайтесь впереди конкурентов благодаря стремлению GEKO к инновациям и совершенству. Инвестируйте в будущее технологий управления — выбирайте GEKO. info@geko-union.com

 

оставить сообщение

оставить сообщение
Если вас заинтересовала наша продукция и вы хотите узнать более подробную информацию, пожалуйста, оставьте сообщение здесь, мы ответим вам как можно скорее.
представлять на рассмотрение

Дом

Продукты

контакт